3.7.2. Start RelayΒΆ
ECU connection
The pin numbers at the ECU:
1.19 high side 1.88 Low sideThe start relay connection is shown in figure ECU connection, Start relay.
ECU connection, Start relay
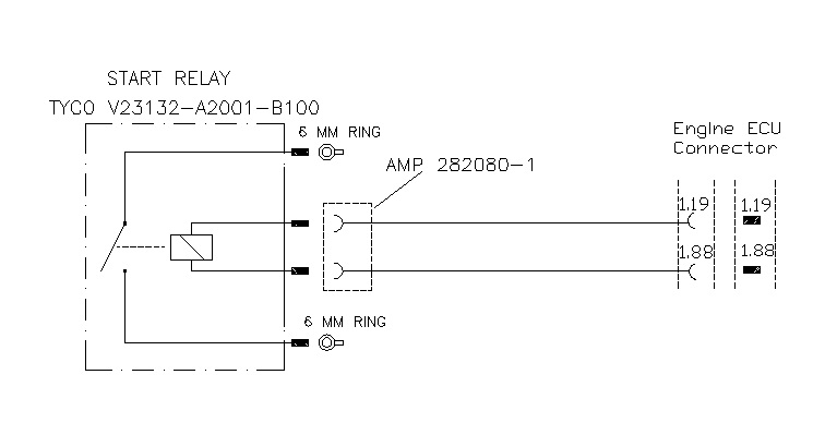
ECU connection
The pin numbers at the ECU:
1.19 high side 1.88 Low sideThe start relay connection is shown in figure ECU connection, Start relay.
ECU connection, Start relay