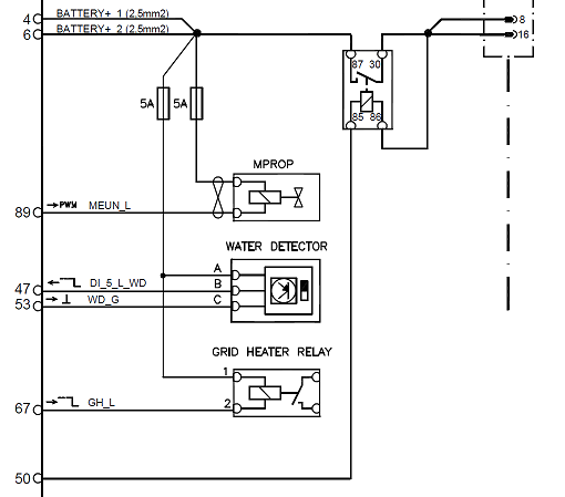
4.5.1. Grid heater solenoidΒΆ

Description

The grid heater is an electrical intake air heater.

ECU connection

The pin numbers at the ECU:

EDC17CV54       A60 High side
EDC17CV54       A34 Low side

EDC17CV41       2.24 High side
EDC17CV41       2.45 Low side

EDC17C63        33 High side from ECU main relay
EDC17C63        67 Low side
../../_images/GridHeater.jpg

ECU connection, Grid heater

../../_images/C63_grid_heater_fuse.png

EDC17C63 Grid heater fuse in high side relay control.