4.5.9. Common Rail high Pressure Pump (MPROP)ΒΆ
Description
The Common Rail high Pressure Pump is a 2-cylinder radial plunger high pressure pump. It creates the system pressures required by the Common Rail Injection System for all the operating conditions of the engine. The governing of the system pressure is in the integrated fuel Metering Unit.
ECU connection
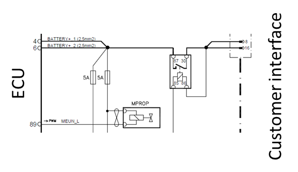
The pin numbers at the ECU:
EDC17CV54 A04 High side EDC17CV54 A05 PWM control EDC17CV41 2.58 High side EDC17CV41 2.83 PWM control EDC17C63 Supply from the Battery terminal EDC17C63 89 PWMThe Common Rail high Pressure Pump is shown in figure ECU connection EDC17CV54 and Cv41, Common Rail high Pressure Pump.
ECU connection EDC17CV54 and Cv41, Common Rail high Pressure Pump
ECU connection EDC17C63, Common Rail high Pressure Pump ECU connection EDC17C63, Common Rail high Pressure Pump.
