4.5.4. 6-cyl engine injector harness
4.5.6. 3-cyl engine injector harness with C63 ECU
Description
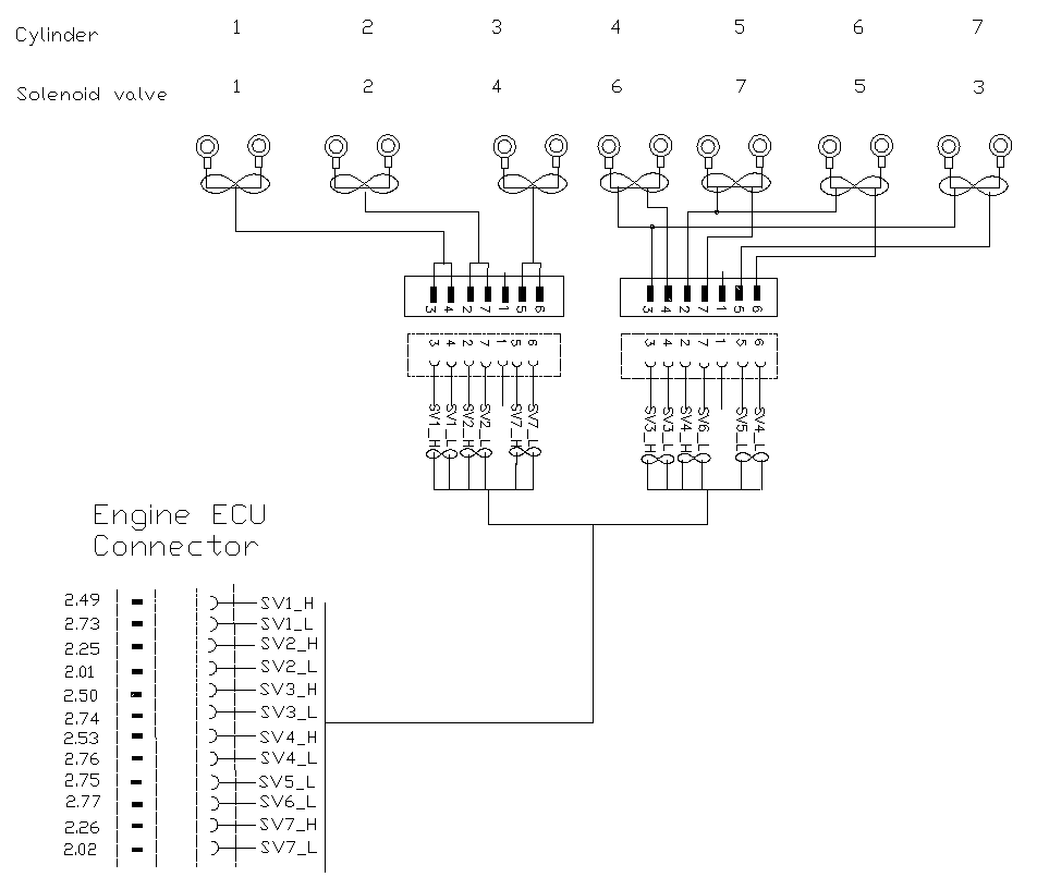
The injector harness for the 7-cyl engine.