4.5.3. 4-cyl engine injector harness
4.5.5. 7-cyl engine injector harness
Description
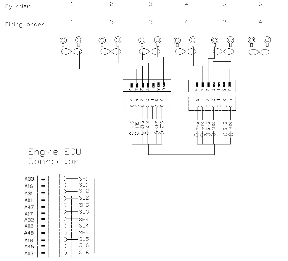
The injector harness for the 6-cyl engine.