3.3.6. Fuel temperature¶
Description
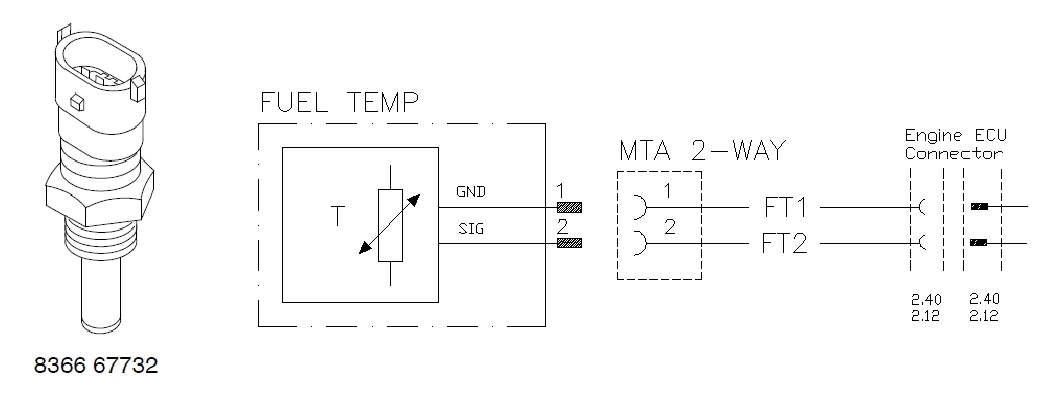
The fuel temperature sensor measures the engine fuel temperature. The fuel temperature is located in the main fuel filter.
ECU connection
The pin numbers at the ECU:
EDC17CV41+ 2.12 Analog input EDC17CV41+ 2.40 GroundThe fuel temperature sensor is shown in figure ECU connection EDC17CV41+, Fuel temperature sensor.
Characteristics
Nominal resistance:
At 20ºC = 2.5 k ohm At 100ºC = 0.186 k ohmThe fuel temperature sensor characteristics are shown in figure Characteristics, Fuel temperature sensor.

