3.4.3. Dosing moduleΒΆ
Description
The Dosing Module (DM) is installed in the exhaust line between the turbocharger and the SCRcatalyst. The DM contains an electrically operated solenoid valve, which injects the required amount of DEF through the nozzle of the DM, when being powered by the EEM4F.
ECU connection
The pin numbers at the ECU:
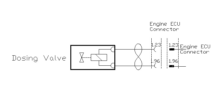
1.23 Dosing valve (HS) 1.96 Dosing valve (LS)The dosing module connector pinout is shown in figure ECU connection, Dosing module connection.
Characteristics
Common information:
Nominal operation voltage = 14,8V or 28,5V Electrical resistance = 11,4 ohm - 12,6 ohmThe dosing module picture is shown in figure Dosing module.

